Revisión de las topologías de convertidores de potencia plena para sistemas de conversión de energía eólica basados en generadores síncronos de imanes permanentes
A review on full-scale back-to-back converter topologies for PMSG-based wind energy conversion systems
Kumar Mahtani
Departamento de Automática, Ingeniería Eléctrica y Electrónica e Informática Industrial, Universidad Politécnica de Madrid, Madrid, España.
ORCID: https://orcid.org/0000-0002-8308-753X
Contacto: kumar.mahtani@upm.es
Artículo recibido: 1/diciembre/2024. Aprobado: 31/diciembre/2024
Nota:
Traducción realizada por el autor a partir del siguiente artículo publicado en inglés:
Sharma, A. K., Das, V., & Mahtani, K. (2025). A Review on Full-Scale Back-to-Back Converter Topologies for PMSG-Based Wind Energy Conversion Systems. International Journal of Research Publication and Reviews, 6(1), 545-555.
Resumen
Este artículo ofrece una revisión general de las topologías de convertidores utilizadas en los sistemas de conversión de energía eólica de Tipo 4 con generadores síncronos de imanes permanentes (PMSG). Los sistemas de Tipo 4 basados en convertidores back-to-back de plena potencia pueden funcionar para maximizar el rendimiento de los aerogeneradores para la velocidad variable del viento, facilitar el desacoplamiento de la red y reducir las necesidades de mantenimiento. El artículo compara distintas configuraciones de convertidores, como los rectificadores de diodos, convertidores de seis conmutadores, rectificadores Viena, convertidores de fuente Z, convertidores de nueve conmutadores, convertidores multinivel y convertidores matriciales, y describe sus principios de funcionamiento, ventajas e inconvenientes. Cada topología se ha estudiado con respecto a su eficiencia, fiabilidad, calidad de potencia, coste y aplicabilidad a los sistemas de energías renovables. Los resultados subrayan el papel fundamental que desempeña la electrónica de potencia en la introducción en el mercado de nuevas generaciones de dispositivos de energía eólica y orientan en la elección de la topología de convertidor óptima para ofrecer una conversión de energía fiable, eficiente y económicamente atractiva en los esquemas contemporáneos de conversión de energía eólica.
Palabras clave: Aerogeneradores; convertidores back-to-back; convertidores de potencia plena; convertidores de fuente Z; convertidores de nueve conmutadores; convertidores de seis conmutadores; convertidores matriciales; convertidores multinivel; integración en red; PMSG; rectificadores de diodos; rectificadores Vienna; sistemas eólicos tipo 4.
Abstract
This article gives a general review of converter topologies used in Type 4 wind energy conversion systems with permanent magnet synchronous generators (PMSG). Type 4 systems based on full-scale back-to-back converters can be operated to maximize wind turbine performance during variable wind speed, facilitate grid decoupling and decrease maintenance. The paper compares different converter setups, such as diode rectifiers, six-switch converters, Vienna rectifiers, Z-source converters, nine-switch converters, multilevel converters and matrix converters and describes their operation principles, advantages and drawbacks. Every topology has been studied with respect to efficiency, reliability, power quality, cost, and applicability to renewable energy systems. Results underscore the pivotal role played by power electronics to bring new generations of wind energy devices to market and provide guidance for choosing the optimal converter topology to deliver dependable, efficient, and economically attractive energy conversion in contemporary wind energy conversion schemes.
Key words: Back-to-back converters; diode rectifiers; full converters; grid integration; matrix converters; multilevel converters; nine-switch converters; PMSG; six-switch converters; type 4 wind turbine generators; Vienna rectifiers; wind turbines; Z-source converters.
Introducción
Los sistemas de conversión de la energía eólica son fundamentales para suministrar energía al mundo utilizando la fuerza del viento (Desalegn et al., 2022). Estos sistemas emplean diferentes generadores y sistemas electrónicos de potencia para producir energía eléctrica (Catalán et al., 2023; Rafin et al., 2023) y las turbinas eólicas de velocidad variable son cada vez más populares por su alta eficiencia y su capacidad para hacer frente a la variabilidad del viento. La topología de convertidor back-to-back de plena potencia, empleada a menudo en los sistemas de conversión de energía eólica de tipo 4, es uno de esos avances que permiten una mayor flexibilidad y eficiencia operativa. En este artículo se analizan los distintos tipos de sistemas de turbinas eólicas de velocidad variable, con especial atención a los sistemas de tipo 4 basados en generadores síncronos de imanes permanentes (PMSG), y se estudian las distintas topologías de convertidores electrónicos back-to-back de plena potencia descritas en la literatura.
Convertidores de potencia en sistemas de velocidad variable de conversión de energía eólica
Los aerogeneradores se clasifican en diferentes tipos según el tipo de sistema de conversión de energía (Rafin et al., 2023; Shahni et al., 2019; Tawfiq et al., 2019). Las dos categorías principales de velocidad variable son los sistemas de tipo 3 y tipo 4, que se muestran en la figura 1 (a) y (b), respectivamente. Los sistemas de tipo 3, comúnmente conocidos como generadores de inducción de doble alimentación (DFIG), suelen incluir una máquina de inducción de rotor bobinado con electrónica de potencia que controla los convertidores del lado del rotor y del lado de la red. Esta configuración permite una variación limitada de la velocidad, normalmente dentro del ±30% de la velocidad síncrona, y ofrece varias ventajas, como la reducción de la potencia nominal de los convertidores de potencia y una mayor resistencia mecánica.
![]() |
![]() |
|---|---|
| (a) | (b) |
Figura 1. Sistemas de conversión de energía de velocidad variable. (a) Tipo 3; (b) Tipo 4.
En cambio, los sistemas de tipo 4 emplean convertidores de frecuencia back-to-back de plena potencia, formados por un convertidor del lado de la máquina (MSC) y un convertidor del lado de la red (GSC). Esta configuración desacopla el generador de la red, lo que permite una mayor flexibilidad en el control de la velocidad y el funcionamiento. Permite a la turbina funcionar a su velocidad aerodinámica óptima, produciendo una salida de CA "salvaje" del generador que puede transformarse en una frecuencia compatible con la red. Además, el convertidor de plena potencia elimina la necesidad de una caja de engranajes, ya que la turbina puede funcionar a velocidades de rotación más bajas. Los generadores utilizados en los sistemas de tipo 4 pueden variar e incluyen máquinas síncronas de rotor bobinado (WRSG), generadores síncronos de imanes permanentes (PMSG), máquinas de inducción de jaula de ardilla (SCIG) y máquinas de inducción de campo bobinado (WFIM).
Opciones de generadores en sistemas de conversión de energía eólica de tipo 4
La flexibilidad en el diseño y funcionamiento de los sistemas de tipo 4 se debe a la variedad de tipos de generadores disponibles (Desalegn et al., 2022; Catalán et al., 2023; Rafin et al., 2023; Shahni et al., 2019; Tawfiq et al., 2019). Entre ellos se incluyen:
Generador síncrono de rotor bobinado (WRSG): Estos generadores son realmente asimilables a las máquinas síncronas convencionales que suelen encontrarse en las centrales hidroeléctricas. Incorporan un bobinado de campo que permite regular la corriente de excitación. Esto mejora la eficiencia en una amplia gama de velocidades del viento. Sin embargo, estas máquinas tienden a ser más grandes y requieren más mantenimiento en comparación con otros tipos.
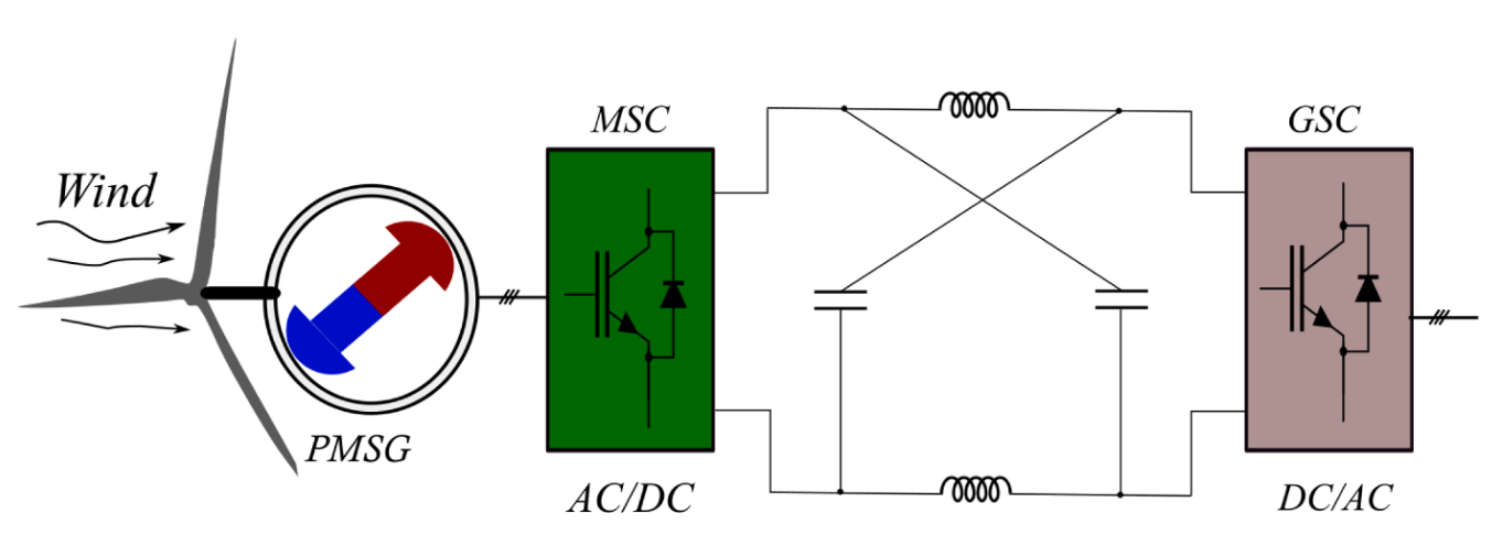
Generador síncrono de imanes permanentes (PMSG): Estos generadores son cada vez más populares en los sistemas de energía eólica contemporánea debido a su alta eficiencia, diseño compacto, y la posible eliminación de la caja de cambios. Utilizan imanes permanentes en el rotor, lo que elimina la necesidad de potencia reactiva en el circuito del rotor y aumenta la eficiencia global. Las PMSG funcionan eficazmente en una amplia gama de velocidades y son especialmente adecuadas para aerogeneradores de velocidad variable. La figura 2 ilustra el sistema de conversión de energía eólica de tipo 4 que utiliza PMSG.

Figura 2. Sistema de conversión de energía eólica de tipo 4 basado en PMSG.
Generador de inducción de jaula de ardilla (SCIG): Aunque los SCIG son económicos, su eficiencia es menor que la de los PMSG y los WRSG. Su rendimiento se ve más afectado por las variaciones de la velocidad del viento y el control de la velocidad es más complicado que en las máquinas síncronas. Además, los SCIG sufren mayores pérdidas de potencia a velocidades de rotación reducidas.
Máquina de inducción de campo bobinado (WFIM): Las WFIM ofrecen un equilibrio entre las SCIG y las WRSG. Proporcionan cierto grado de regulación de la velocidad y ofrecen mayor eficiencia que las SCIG. Sin embargo, siguen siendo menos eficientes que las PMSG y requieren más mantenimiento que las máquinas síncronas de rotor bobinado.
Ventajas e inconvenientes del uso de PMSG en sistemas eólicos
Se pueden deducir varias ventajas e inconvenientes del PMSG (Morgan et al., 2022; Le et al., 2023; Palanimuthu et al., 2022):
Ventajas de las PMSG:
Alta eficiencia y fiabilidad: El uso de imanes en el rotor elimina la necesidad de potencia adicional, lo que mejora la eficiencia global. El resultado es un sistema caracterizado por la reducción de pérdidas y una mayor fiabilidad.
No necesita caja de engranajes: Los sistemas basados en PMSG eliminan la necesidad de una multiplicadora, lo que simplifica el diseño mecánico y reduce los requisitos de mantenimiento. En los aerogeneradores, las cajas de engranajes suelen fallar y provocar pérdidas de energía, por lo que su eliminación aumenta la eficiencia y la vida útil del sistema.
Compactas y ligeras: Gracias a la incorporación de imanes permanentes y estructuras multipolares, las PMSG son capaces de alcanzar altas densidades de potencia. Esto hace que su configuración sea más compacta que la de otros tipos de generadores, lo que contribuye a reducir las dimensiones totales y la masa del aerogenerador.
Desacoplamiento de la red: Las PMSG son adecuadas para convertidores de potencia completa que separan el generador de la red. Esta característica permite una mejor gestión de la potencia de salida y mejora la extracción de energía a partir de diferentes velocidades del viento, garantizando un rendimiento eficaz en una amplia gama de condiciones.
Inconvenientes de las PMSG:
Coste de los imanes permanentes: El coste de los imanes permanentes, sobre todo los fabricados con elementos de tierras raras, supone un obstáculo considerable para los aerogeneradores a gran escala. A pesar de la mayor eficiencia de las PMSG, sus elevados gastos iniciales podrían limitar su aplicación en determinados escenarios.
Retos de diseño: Aunque la configuración multipolar de las PMSG ofrece mayores densidades de potencia, también puede dar lugar a problemas como la distorsión armónica y elevadas pérdidas Joule en el devanado del estator. Estas pérdidas pueden reducir la eficiencia global y acelerar el desgaste del sistema.
Gestión térmica: Las PMSG generan menos calor que otros tipos de generadores debido a su mayor eficiencia. No obstante, una gestión térmica eficiente es crucial en aplicaciones de alta potencia para evitar el sobrecalentamiento, ya que esto podría poner en peligro la vida útil y el rendimiento de la máquina.
Detalles técnicos de los sistemas de conversión de energía eólica tipo 4 basados en PMSG
Estrategias de control y MPPT
Una característica esencial de los sistemas de tipo 4 es su capacidad para optimizar la recuperación de energía del viento. Esto se consigue normalmente mediante algoritmos de seguimiento del punto de máxima potencia (MPPT), que modifican la velocidad del generador para adaptarla a las mejores condiciones aerodinámicas para maximizar la producción de energía. En los sistemas de tipo 4, el MPPT se realiza a través del convertidor del lado del generador (MSC), que controla la velocidad del generador y garantiza que el aerogenerador funcione con una eficiencia óptima.
El convertidor del lado de la red (GSC) se encarga de controlar la tensión del bus de CC y de supervisar la potencia reactiva suministrada a la red. El GSC permite un rendimiento constante aislando el generador de la red, ajustándose a los cambios de velocidad del viento y garantizando que la potencia generada se ajusta a la tensión y la frecuencia de la red.
Electrónica de potencia y topologías de convertidores
Los convertidores de potencia desempeñan un papel crucial en los sistemas de tipo 4, ya que permiten transformar la salida de frecuencia variable del generador en una frecuencia compatible con la red. En los sistemas basados en PMSG se utilizan con frecuencia convertidores back-to-back de potencia plena, compuestos por un rectificador CA/CC y un inversor CC/CA. Estos convertidores proporcionan una gestión eficaz y adaptable de la potencia de salida, facilitando la integración con la red.
Eficacia y fiabilidad
El uso de convertidores de potencia plena y PMSG en los sistemas de tipo 4 aumenta la eficiencia y reduce el desgaste mecánico, principalmente porque no hay caja de engranajes. La eficiencia del sistema aumenta al emplear PMSG multipolares, capaces de generar energía a velocidades reducidas y en diversas condiciones de viento. Además, la modularidad y escalabilidad de la electrónica de potencia mejoran la fiabilidad y resistencia generales del sistema.
Convertidores con rectificador de puente de diodos como MSC
Los rectificadores de puente de diodos se utilizan habitualmente como convertidores CA-CC debido a su sencillez y bajo coste (Zhang et al., 2022; Balbino et al., 2022; De Freitas et al., 2016). Un rectificador de puente de diodos monofásico es una solución asequible para convertir CA en CC, pero sólo funciona eficazmente a altas velocidades del viento. A velocidades del viento más bajas, la tensión de CC de salida es insuficiente y cae por debajo de la tensión de red, lo que reduce el rendimiento. Por eso se utilizan puentes de diodos totalmente trifásicos. En estas configuraciones, el componente del enlace de CC puede ser un condensador (en los convertidores de fuente de tensión, VSC) o una inductancia (en los convertidores de fuente de corriente, CSC), como se muestra en la figura 3 (a) y (b), respectivamente.
![]() |
![]() |
|---|---|
| (a) | (b) |
Figura 3. Puente rectificador de diodos. (a) VSC; (b) CSC.
A pesar de su rentabilidad, los rectificadores de puente de diodos tienen notables limitaciones. Entre ellas, la incapacidad para lograr la máxima extracción de potencia del viento y la falta de control sobre la dinámica del aerogenerador y la calidad de la energía. Para subsanar estas deficiencias, se puede introducir un convertidor elevador CC-CC en cascada con un rectificador de diodos, como se muestra en la figura 4. El convertidor elevador CC-CC mejora el rendimiento del sistema al permitir el MPPT, lo que permite un mejor control de la tensión del enlace CC (Rahimi, 2017). Esto proporciona una ventaja adicional al garantizar que la tensión se mantiene por encima de la amplitud de la tensión de red, mejorando así la flexibilidad de control del GSC.

Figura 4. Puente rectificador de diodos con chopper.
Sin embargo, incluso con la inclusión del convertidor elevador en cascada, el sistema sigue enfrentándose a algunos problemas. En concreto, el control de una PMSG de velocidad variable con un rectificador de diodos y un chopper de CC plantea los mismos problemas que la configuración básica con rectificador de diodos. Estos problemas incluyen un control limitado sobre el factor de potencia del generador, que puede reducir la eficiencia, así como una mayor distorsión armónica en los devanados del generador.
Convertidores controlados por seis conmutadores
El convertidor de seis conmutadores, utilizado habitualmente como topología principal para el MSC y el GSC en aplicaciones de energía eólica (Bhaskar et al., 2022; Nabatirad et al., 2023), funciona como rectificador controlado o como inversor de tensión, como se ilustra en la figura 5. Esta topología consiste en dos convertidores de fuente de tensión con modulación de anchura de impulsos (VSI-PWM), unidos por un condensador de almacenamiento. Esta disposición permite conectar el generador a la red eléctrica y controlar la potencia eléctrica suministrada a la red, facilitando el MPPT o Seguimiento del Punto de Potencia Activa (APPT).
A diferencia de los rectificadores de diodos, los rectificadores controlados de la topología de convertidor de seis interruptores pueden ajustar la tensión continua suministrada a la red modificando la fase y la amplitud de la corriente alterna producida por el aerogenerador. Este control se consigue utilizando interruptores de potencia como tiristores, IGBT o MOSFET. Cuando se integra con un PMSG, esta topología de convertidor proporciona la capacidad de regular parámetros críticos como la velocidad del generador, el factor de potencia y el par electromagnético, todo ello minimizando la distorsión armónica de la corriente.

Figura 5. Convertidor controlado por seis conmutadores.
La inclusión de un bus de CC en el sistema proporciona una separación clara entre el generador y la red, ayudando a evitar que los transitorios en el lado del generador afecten a la red (Mudholker et al., 2015). Para garantizar el rendimiento óptimo del convertidor del lado de la red, es importante mantener una tensión de bus de CC superior a la tensión pico de línea a línea de la red.
Convertidores con rectificador Vienna como MSC
El rectificador Vienna, como se muestra en la figura 6, es una topología innovadora de convertidor de potencia de tres niveles que está ganando terreno en las aplicaciones de energía eólica (Qin & Li, 2022; Lee et al., 2019). Esta topología se utiliza como MSC en los sistemas de turbinas eólicas de imanes permanentes y ofrece varias ventajas sobre los rectificadores tradicionales de dos niveles, como los rectificadores VSI-PWM. Una ventaja clave es que el rectificador Vienna requiere menos interruptores de potencia, lo que reduce tanto los costes de fabricación como los de mantenimiento.

Figura 6. Rectificador Vienna.
Además del ahorro de costes, el rectificador Vienna mejora la calidad de la energía al generar una forma de onda de tensión multinivel, lo que se traduce en una menor distorsión armónica total (THD) en comparación con los rectificadores de dos niveles. Esta reducción de la distorsión armónica mejora la calidad de la corriente de red y minimiza las pérdidas por conmutación (Ahmed & Çelik, 2022). El rectificador Vienna también admite el flujo de potencia bidireccional, lo que permite un control eficaz del intercambio de potencia entre el generador y la red.
La topología ofrece mayor tolerancia a fallos y fiabilidad gracias a sus rutas de alimentación redundantes. Si falla un conmutador, el rectificador puede seguir funcionando con los conmutadores restantes, lo que garantiza la disponibilidad del sistema y reduce el tiempo de inactividad (Antar et al., 2021). Estas características hacen del rectificador Vienna una solución altamente fiable y rentable para los sistemas de energía eólica.
Además, el rectificador de Viena minimiza las pérdidas por conmutación y conducción, lo que contribuye a alargar la vida útil del sistema y a mejorar la fiabilidad general. Permite un control preciso de la potencia activa y reactiva, lo que ayuda a gestionar el flujo de potencia dentro de las redes eléctricas. Al generar una forma de onda de corriente sinusoidal que cumple las normas de la red, el rectificador Vienna garantiza una integración sin problemas en las redes eléctricas y ayuda a mitigar los armónicos. El funcionamiento a alta frecuencia del rectificador Vienna aumenta aún más la eficiencia del sistema. Con los avances en semiconductores de potencia y controladores, esta topología se ha convertido en una solución eficaz para la conversión y gestión de la energía en las redes eléctricas modernas.
Convertidores de fuente Z
Los inversores de fuente Z, ilustrados en la figura 7, representan una familia de convertidores de potencia diseñados para facilitar la conversión de energía entre dos fuentes de tensión (Alizadeh & Kojori, 2018; Dehghanzadeh et al., 2016). A diferencia de los inversores tradicionales que se basan en topologías de puente completo para conectar la fuente de entrada a la carga, los inversores de fuente Z utilizan una red de impedancia única. Esta red, dispuesta en una configuración en "Z", introduce un grado adicional de libertad en el proceso de conversión de energía, lo que hace que estos inversores sean muy versátiles.

Figura 7. Convertidor de fuente Z.
El núcleo de la topología de inversor de fuente Z comprende un inductor y dos condensadores configurados en una disposición específica. El inductor está conectado en serie con la fuente de tensión continua de entrada, mientras que los dos condensadores están dispuestos en paralelo entre sí y en serie con la carga. Esta red de impedancias se conecta a un puente inversor estándar para completar la conversión de energía.
Los inversores de fuente Z ofrecen varias ventajas, sobre todo en los sistemas de energías renovables. Pueden proporcionar una tensión de salida reforzada, lo que los hace adecuados para aplicaciones en las que la tensión de entrada es variable, como los sistemas de energía eólica. Además, estos inversores presentan una mayor resistencia a las interferencias electromagnéticas, lo que mejora la eficiencia global.
A pesar de estas ventajas, los inversores de fuente Z tienen limitaciones. La topología es más compleja y costosa que la de los inversores tradicionales, y puede presentar una capacidad de control reducida a niveles de potencia elevados. Los problemas de estabilidad y fiabilidad también son notables, sobre todo en aplicaciones exigentes. Para resolver estos problemas, a menudo se requieren estrategias de control avanzadas, especialmente para aplicaciones en sistemas de conversión de energía eólica.
Convertidor CA/CA controlado por nueve conmutadores
La topología de inversor de nueve conmutadores, mostrada en la figura 8, ofrece una opción más económica que los convertidores back-to-back tradicionales al minimizar el número de conmutadores de potencia necesarios (Gulbudak et al., 2023). A diferencia de las configuraciones estándar que utilizan doce interruptores en dos puentes distintos, el convertidor de nueve interruptores combina las funciones de estos puentes en una sola unidad con sólo nueve interruptores. Esta simplificación permite ahorrar energía y reducir los gastos de fabricación.

Figura 8. Convertidor controlado por nueve conmutadores.
Esta topología presenta entradas y salidas sinusoidales, así como un factor de potencia de entrada unitario, lo que la hace especialmente adecuada para aplicaciones en las que el coste y la eficiencia son fundamentales. Sin embargo, a pesar de su reducido número de conmutadores, el inversor de nueve conmutadores no reduce la frecuencia total de conmutación. Su número total de conmutaciones sigue siendo comparable al de un sistema de doce conmutadores cuando funciona a frecuencias similares.
Además, las técnicas de modulación como PWM y PWM vectorial no proporcionan un aumento significativo de la eficiencia del inversor. No obstante, las ventajas de coste que ofrece la topología de nueve interruptores la convierten en una opción atractiva para aplicaciones que priorizan la eficiencia económica sobre las capacidades operativas avanzadas (Gulbudak & Gokdag, 2021; Sivapriya & Kalaiarasi, 2023).
Convertidores multinivel
Los convertidores multinivel representan una sofisticada tecnología para producir tensiones de salida multinivel, lo que reduce la necesidad de voluminosos filtros de salida. Son especialmente adecuados para aplicaciones de energía eólica de gran potencia y a gran escala (Eroğlu et al., 2023; Saleh et al., 2017; Duan et al., 2020; Diaz et al., 2017). Las topologías de convertidores multinivel más comunes son el convertidor de punto neutro (NPC) (figura 9), el convertidor de condensador volante (FC) (figura 10) y el convertidor multinivel modular de puente en H (HB-MMC) (figura 11).
La topología más destacada dentro de esta categoría es el convertidor multinivel modular (MMC), que ha despertado un gran interés en la investigación debido a su capacidad para satisfacer demandas de alta potencia y alta tensión en diversos entornos industriales (Xiao et al., 2022; Li et al., 2023; Deng et al., 2022; Kumari et al., 2023). Los MMC funcionan a niveles de tensión elevados sin depender de transformadores de frecuencia de línea, utilizando en su lugar numerosos submódulos convertidores de medio puente. Este enfoque modular mejora la fiabilidad al incorporar redundancia y reduce significativamente la frecuencia media de conmutación, lo que ayuda a mantener una alta calidad energética. Los convertidores multinivel modulares (MMC) son cada vez más comunes en aplicaciones como accionamientos de media tensión, transmisión de corriente continua de alta tensión (HVDC) y sistemas flexibles de transmisión de energía.

Figura 9. Convertidor NPC.

Figura 10. Convertidor FC.

Figura 11. Convertidor HB-MMC.
Entre las ventajas de los convertidores multinivel destacan:
Estructura modular y tolerancia a fallos.
Mayor fiabilidad y menor esfuerzo de los interruptores.
Formas de onda de salida casi sinusoidales, que reducen los armónicos.
Alta eficiencia, incluso a altos niveles de tensión.
A pesar de estas ventajas, los convertidores multinivel plantean retos, como las complejas estrategias de control y la necesidad de amplias mediciones para mantener la estabilidad del sistema.
Los submódulos (SM) individuales de las MMC pueden implementarse utilizando una configuración de medio puente, que incluye dos transistores bipolares de puerta aislada (IGBT) y un condensador de enlace de CC, o una configuración de puente en H, que utiliza cuatro IGBT. El diseño modular permite la escalabilidad, pero el coste total depende de factores como la potencia nominal, el nivel de tensión, el número de submódulos, el tipo de dispositivos semiconductores y las funciones de control. Las funciones avanzadas y las personalizaciones, junto con la reputación del fabricante y los factores regionales, pueden influir aún más en el coste.
La combinación única de eficiencia, modularidad y escalabilidad de los convertidores multinivel los convierte en una solución prometedora para los modernos sistemas de energía eólica de alta potencia .
Convertidores CA/CA matriciales
Los convertidores matriciales (MC), ilustrados en la figura 12, son una alternativa innovadora a los tradicionales convertidores back-to-back en los sistemas de conversión de energía eólica. Una de sus principales ventajas es la eliminación del condensador de CC, lo que reduce el tamaño, el coste y la complejidad del sistema. Estos convertidores proporcionan una conversión directa CA/CA, permitiendo el control simultáneo de parámetros tanto en el lado del generador como en el de la red (Ahmed et al., 2020; Goodwin et al., 2023). Esta configuración se asocia con una alta fiabilidad y una menor distorsión armónica en la corriente de salida.
Los convertidores matriciales ofrecen varias ventajas (Xu et al., 2022), entre ellas alta densidad de potencia, tamaño y peso reducidos y mayor eficiencia en comparación con los convertidores CA/CA tradicionales con enlaces intermedios de CC. Permiten el control directo de la frecuencia de salida y la magnitud de la tensión sin necesidad de técnicas de modulación adicionales, lo que contribuye a un funcionamiento racionalizado. Además, los convertidores matriciales eliminan la necesidad de componentes de almacenamiento de energía como los condensadores de enlace de CC, lo que reduce el coste y la complejidad del sistema. También proporcionan un control simultáneo de los parámetros del generador y de la red, garantizando un funcionamiento fiable y una menor distorsión armónica, lo que mejora la calidad de la energía y la integración en las redes eléctricas.

Figura 12. Convertidor matricial.
Sin embargo, los MC tienen limitaciones (Muduli et al., 2022; Iqbal et al., 2012). Requieren algoritmos de control avanzados para gestionar eficazmente la conmutación de los interruptores bidireccionales, que deben manejar tanto la tensión como la corriente positivas y negativas. Además, los MC suelen ofrecer una tensión de salida inferior a la de los convertidores CA-CA tradicionales debido a que su ganancia de tensión es inferior a uno, funcionando inherentemente en modo buck (Wilamowski & Irwin, 2018).
Existen diversas variantes de convertidores matriciales:
Convertidor de matriz directa (DMC):
Los DMC omiten los componentes de almacenamiento de energía, lo que se traduce en una mayor eficiencia energética y menores pérdidas por conmutación (Abdel-Rahim et al., 2013; Saad et al., 2018; Abdel-Rahim et al., 2014). Sin embargo, tienen un alto nivel de complejidad de control, sobre todo en condiciones de viento variable. Los DMC también producen una importante distorsión armónica en la corriente de salida, lo que requiere soluciones avanzadas de filtrado (Olloqui et al., 2021).
Convertidor de matriz indirecta (IMC):
Las IMC incorporan elementos de almacenamiento de energía, que facilitan una regulación más suave de la potencia en escenarios de viento variable (Kumar et al., 2014). Aunque esto hace que las IMC sean adecuadas para determinadas aplicaciones, los elementos de almacenamiento de energía introducen pequeñas pérdidas de eficiencia.
Convertidor Matricial Indirecto con Factor de Potencia Unitario (IMC-UPF):
IMC-UPF mejora la calidad de la energía alcanzando un factor de potencia unitario, minimizando la distorsión de la corriente y mejorando la integración en la red (Jahangiri & Radan, 2013). Sin embargo, alcanzar este nivel de rendimiento requiere estrategias de control sofisticadas (Gong et al., 2019).
El funcionamiento eficaz de los convertidores matriciales depende de estrategias de control avanzadas, como:
Modulación vectorial espacial (SVM): Reduce la distorsión armónica en las corrientes de salida.
Control directo de la relación de trabajo (DDRC): Simplifica la implementación.
Control predictivo: Optimiza el rendimiento teniendo en cuenta las no linealidades y las restricciones.
Control por histéresis: Ofrece una regulación sencilla y directa.
Control de histéresis vectorial espacial (SVHC): Combina las ventajas del SVM y la histéresis para mejorar el rendimiento.
Control predictivo de modelos (MPC): Utiliza la optimización avanzada para abordar la dinámica del sistema y alcanzar objetivos específicos.
La elección de la estrategia de control depende en gran medida de la aplicación y debe ajustarse a los resultados de rendimiento deseados y a las limitaciones operativas. Los MCs representan una solución convincente para la conversión de energía AC/AC, equilibrando compacidad, fiabilidad y eficiencia al tiempo que abordan las complejidades del control avanzado y la gestión de armónicos (Wang et al., 2023).
Conclusiones
El desarrollo y la optimización de las topologías de convertidores desempeñan un papel fundamental en la mejora del rendimiento y la eficiencia de los sistemas de conversión de energía eólica de Tipo 4. Entre las configuraciones analizadas, los rectificadores de diodos son rentables pero están limitados por problemas de calidad de potencia, mientras que los convertidores de seis conmutadores dominan por su versatilidad y capacidad de control. Los rectificadores de vena y los convertidores multinivel destacan por su calidad de potencia y eficiencia superiores, lo que los hace adecuados para aplicaciones de alta potencia. Los convertidores de fuente Z ofrecen flexibilidad con refuerzo de tensión, pero se enfrentan a problemas de coste y complejidad. Los convertidores matriciales surgen como una alternativa prometedora, ya que ofrecen alta densidad de potencia y son compactos, pero requieren algoritmos de control sofisticados. Cada topología presenta ventajas y desventajas en términos de coste, fiabilidad, distorsión armónica y complejidad de control. La selección de un convertidor adecuado depende de los requisitos específicos de la aplicación, como la potencia nominal, el entorno operativo y las consideraciones económicas. Los avances en la tecnología de semiconductores y las estrategias de control siguen impulsando las innovaciones en el diseño de convertidores, allanando el camino hacia sistemas de energía eólica más eficientes y sostenibles. Estos resultados subrayan la importancia de las soluciones a medida para optimizar la conversión de energía en los sistemas de conversión de energía eólica basados en PMSG y contribuyen al cambio mundial hacia las energías renovables.
Bibliografías
Abdel-Rahim, O., Abu-Rub, H., & Kouzou, A. (2013). Nine-to-three phase direct matrix converter with model predictive control for wind generation system. Energy Procedia, 42, 173–182.
Abdel-Rahim, O., Funato, H., Abu-Rub, H., & Ellabban, O. (2014). Multiphase wind energy generation with direct matrix converter. IEEE International Conference on Industrial Technology (ICIT), 519–523.
Ahmed, H., & Çelik, D. (2022). Sliding mode-based adaptive linear neuron proportional resonant control of Vienna rectifier for performance improvement of electric vehicle charging system. Journal of Power Sources, 542, 231788.
Ahmed, M. H., Fei, C., Lee, F. C., & Li, Q. (2020). Single-stage high-efficiency 48/1 V sigma converter with integrated magnetics. IEEE Transactions on Industrial Electronics, 67(1), 192–202.
Alizadeh, M., & Kojori, S. S. (2018). Small-signal stability analysis and predictive control of Z-source matrix converter feeding a PMSG-WECS. International Journal of Electrical Power & Energy Systems, 95, 601–616.
Antar, R. K., Saied, B. M., Putrus, G. A., & Khalil, R. A. (2021). Treating the impacts of connecting HVDC link converters with AC power system using real-time active power quality unit. e-Prime - Advances in Electrical Engineering and Electronics Energy, 1, 100013.
Balbino, A. J., de Souza Nora, B., & Lazzarin, T. B. (2022). An improved mechanical sensorless maximum power point tracking method for permanent-magnet synchronous generator-based small wind turbines systems. IEEE Transactions on Industrial Electronics, 69(5), 4765–4775.
Bhaskar, M., Padmanaban, S., Almakhles, D. J., Gupta, N., & Subramaniam, U. (2022). Double-switch switched-inductor converter with minimal switch voltage stress for renewable energy conversion. Computers and Electrical Engineering, 98, 107682.
Catalán, P., Wang, Y., Arza, J., & Chen, Z. (2023). A comprehensive overview of power converter applied in high-power wind turbine: Key challenges and potential solutions. IEEE Transactions on Power Electronics, 38(5), 6169–6195.
De Freitas, T. R., Menegáz, P. J., & Simonetti, D. S. (2016). Rectifier topologies for permanent magnet synchronous generator on wind energy conversion systems: A review. Renewable and Sustainable Energy Reviews, 54, 1334–1344.
Dehghanzadeh, A. R., Behjat, V., & Banaei, M. R. (2016). Double input Z-source inverter applicable in dual-star PMSG-based wind turbine. International Journal of Electrical Power & Energy Systems, 82, 49–57.
Desalegn, B., Gebeyehu, D., & Tamrat, B. (2022). Wind energy conversion technologies and engineering approaches to enhancing wind power generation: A review. Heliyon, 8(11), e11263.
Deng, F., Chen, Y., Dou, J., Liu, C., Chen, Z., & Blaabjerg, F. (2022). Isolation forest-based submodule open-circuit fault localization method for modular multilevel converters. IEEE Transactions on Industrial Electronics, 1–1.
Diaz, M., Cardenas, R., Espinoza, M., Rojas, F., Mora, A., Clare, J. C., & Wheeler, P. (2017). Control of wind energy conversion systems based on the modular multilevel matrix converter. IEEE Transactions on Industrial Electronics, 64(11), 8799–8810.
Duan, T., Cheng, T., & Dinavahi, V. (2020). Heterogeneous real-time co-emulation for communication-enabled global control of AC/DC grid integrated with renewable energy. IEEE Open Journal of the Industrial Electronics Society, 1, 261–270.
Eroğlu, F., Kurtoğlu, M., Eren, A., & Vural, A. M. (2023). A novel adaptive state-of-charge balancing control scheme for cascaded H-bridge multilevel converter-based battery storage systems. ISA Transactions, 135, 339–354.
Goodwin, G. C., Seron, M. M., & Mirzaeva, G. (2023). A novel control strategy for matrix converters based on transient power balance. Automatica, 153, 111027.
Gong, Z., Zhang, H., Dai, P., Sun, N., & Li, M. (2019). A low-cost phase-angle compensation method for the indirect matrix converters operating at the unity grid power factor. IEEE Transactions on Power Electronics, 34(10), 10314–10326.
Gulbudak, O., & Gokdag, M. (2021). Finite control set model predictive control approach of nine switch inverter-based drive systems: Design, analysis, and validation. ISA Transactions, 110, 283–304.
Gulbudak, O., Gokdag, M., & Komurcugil, H. (2023). Lyapunov-based model predictive control of dual-induction motors fed by a nine-switch inverter to improve the closed-loop stability. International Journal of Electrical Power & Energy Systems, 146, 108718.
Iqbal, A., Ahmed, S. M., & Abu-Rub, H. (2012). Space vector PWM technique for a three-to-five-phase matrix converter. IEEE Transactions on Industry Applications, 48(2), 697–707.
Jahangiri, A., & Radan, A. (2013). Indirect matrix converter with unity voltage transfer ratio for AC to AC power conversion. Electric Power Systems Research, 96, 157–169.
Kumar, V., Joshi, R., & Bansal, R. (2014). Experimental evaluation of matrix converter for wind energy conversion system under various abnormal conditions. International Journal of Renewable Energy Research, 4(1), 15–22.
Kumari, A., Gopal, Y., Dhaked, D. K., Panda, K. P., & Kumar, Y. V. (2023). A single-source five-level switched-capacitor-based multilevel inverter with reduced device count. e-Prime - Advances in Electrical Engineering and Electronics Energy, 5, 100235.
Le, X. C., Duong, M. Q., & Le, K. H. (2023). Review of the modern maximum power tracking algorithms for permanent magnet synchronous generator of wind power conversion systems. Energies, 16(402).
Lee, J. S., Lee, K. B., & Blaabjerg, F. (2019). Predictive control with discrete space-vector modulation of Vienna rectifier for driving PMSG of wind turbine systems. IEEE Transactions on Power Electronics, 34(12), 12368–12383.
Li, H., Deng, F., Zhao, J., Tian, J., Lu, Y., & Li, G. (2023). Variable sampling frequency-based SM power losses balancing control for MMCs with bypassed faulty SMs. IEEE Transactions on Power Electronics, 1–12.
Morgan, E. F., Abdel-Rahim, O., Megahed, T. F., Suehiro, J., & Abdelkader, S. M. (2022). Fault ride-through techniques for permanent magnet synchronous generator wind turbines (PMSG-WTGs): A systematic literature review. Energies, 15(9116).
Mudholker, A., Menghal, P., & Laxmi, A. (2015). SVPWM-based converter for PMSG-based wind energy conversion system. Procedia Computer Science, 70, 676–682.
Muduli, U. R., Behera, R. K., Hosani, K. A., & Moursi, M. S. E. (2022). Direct torque control with constant switching frequency for three-to-five phase direct matrix converter-fed five-phase induction motor drive. IEEE Transactions on Power Electronics, 37(9), 11019–11033.
Nabatirad, M., Razzaghi, R., & Bahrani, B. (2023). Autonomous power balance in hybrid AC/DC microgrids. International Journal of Electrical Power & Energy Systems, 146, 108752.
Olloqui, A., Elizondo, J. L., Rivera, M., Macías, M. E., Micheloud, O. M., Pena, R., & Wheeler, P. (2021). Model-based predictive rotor current control strategy for indirect power control of a DFIM driven by an indirect matrix converter. IEEE Transactions on Energy Conversion, 36(2), 1510–1516.
Palanimuthu, K., Mayilsamy, G., Lee, S. R., Jung, S. Y., & Joo, Y. H. (2022). Comparative analysis of maximum power extraction and control methods between PMSG- and PMVG-based wind turbine systems. International Journal of Electrical Power & Energy Systems, 143, 108475.
Qin, C., & Li, X. (2022). Improved control scheme for simultaneous reduction of common-mode voltage and current harmonic distortion of the Vienna-type rectifier with balanced and unbalanced neutral-point voltages. ISA Transactions, 131, 415–426.
Rahimi, M. (2017). Modeling, control, and stability analysis of grid-connected PMSG-based wind turbine assisted with diode rectifier and boost converter. International Journal of Electrical Power & Energy Systems, 93, 84–96.
Rafin, S. M. S. H., Islam, R., & Mohammed, O. A. (2023). Power electronic converters for wind power generation. In Proceedings of the 2023 Fourth International Symposium on 3D Power Electronics Integration and Manufacturing (3D-PEIM) (pp. 1–8). Miami, FL, USA.
Saad, N. H., El-Sattar, A. A., & Marei, M. E. (2018). Improved bacterial foraging optimization for grid-connected wind energy conversion system-based PMSG with matrix converter. Ain Shams Engineering Journal, 9(4), 2183–2193.
Saleh, S., St. Onge, X., McGivney, W., & McLeod, J. (2017). A new multi-level AC-DC power electronic converter for applications in PMG-based WECSs. 2017 IEEE/IAS 53rd Industrial and Commercial Power Systems Technical Conference (ICPS), 1–9.
Shahni, A., Qazi, S. H., Kaloi, G. S., & Ullah, R. (2019). Review on performance analysis of SCIG- and PMSG-based wind energy conversion systems. SSRG International Journal of Electronics and Communication Engineering, 6(7), 1–10.
Sivapriya, A., & Kalaiarasi, N. (2023). A novel enhanced deep learning-based fault diagnosis approach for cascaded multilevel inverter. e-Prime - Advances in Electrical Engineering and Electronics Energy, 5, 100253.
Tawfiq, K. B., Mansour, A. S., Ramadan, H. S., Becherif, M., & El-kholy, E. (2019). Wind energy conversion system topologies and converters: Comparative review. Energy Procedia, 162, 38–47.
Wang, K., Wu, F., Su, J., & Wang, G. (2023). Three-phase single-stage three-port high-frequency isolated DC-AC converter. IEEE Transactions on Power Electronics, 38(9), 11113–11124.
Wilamowski, B. M., & Irwin, J. D. (2018). Power electronics and motor drives. CRC Press.
Xu, Y., Wang, Z., Liu, P., Wei, Q., Deng, F., & Zou, Z. (2022). The modular current-fed high-frequency isolated matrix converters for wind energy conversion. IEEE Transactions on Power Electronics, 37(4), 4779–4791.
Xiao, Q., Mu, Y., Jia, H., Jin, Y., Yu, X., Teodorescu, R., & Guerrero, J. M. (2022). Novel modular multilevel converter-based five-terminal MV/LV hybrid AC/DC microgrids with improved operation capability under unbalanced power distribution. Applied Energy, 306, 118140.
Zhang, Q., He, J., Xu, Y., Hong, Z., Chen, Y., & Strunz, K. (2022). Average-value modeling of direct-driven PMSG-based wind energy conversion systems. IEEE Transactions on Energy Conversion, 37(1), 264–273.